-
快速温变(湿热)试验箱
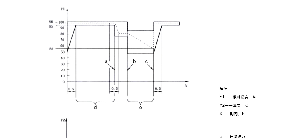
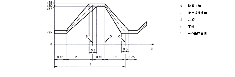
产品型号:JQ-12㎡(定制款) 品牌:剑 乔 用途:快速温变(湿热)试验箱适用于各类汽车部件,电工电子产品及其它产品、零部件和材料进行高温、低温高低温交变试验等环境模拟可靠性试验.快速温变(湿热)试验箱按照标准GB/T31咨询热线:13829135130
- 产品介绍
- 规格参数
- 服务保障
- 联系我们
咨询热线:13829135130











Copyright © 2000-2025 ac米兰官方网站 版权所有地址:广东省东莞市塘厦镇莲湖塘莲七街剑乔工业园 备案号:粤ICP备13017173号-2 网站地图

